EΣΠΑ

Emergency Towing

advanced divider

Chain Stoppers

Chain Stoppers 1
Chain Stoppers 2
Chain Stoppers 3

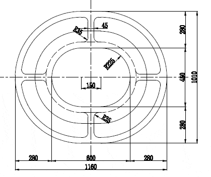
Technical Data

SWL DIMENSIONS (m.m.) MASS (Kgr)
L B H H1
250T 1800 640 850 648 1528
350T 1700 640 850 648 1728

Bulwark Chocks SWL-250T

Bulwark Chocks SWL-350T